近日,中机国际成功中标华中科技大学化学链燃烧源头碳捕集子系统项目,该项目作为我国碳捕集利用重大科研装置的核心环节,通过创新技术路径推动能源清洁化转型,为“双碳”目标实现提供关键技术支撑。

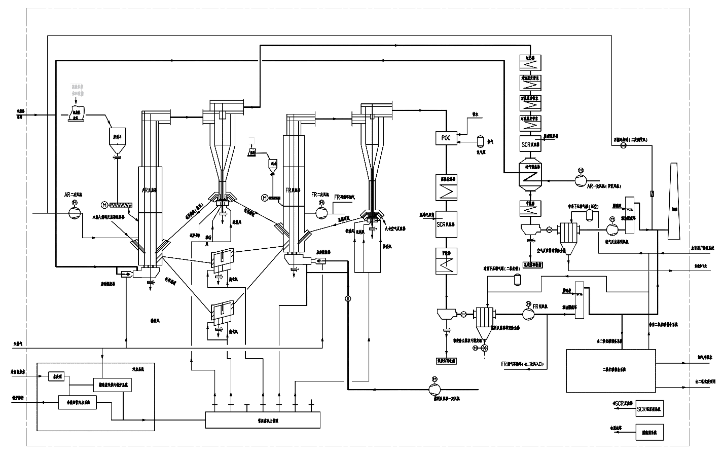
项目采用自主知识产权的多模式流化床反应器系统,实现煤/生物质/天然气等多燃料兼容燃烧,创新性地将化学链燃烧与碳捕集深度融合。通过反应器设计优化和热能深度利用,系统捕集能耗较传统方式降低30%以上,捕集纯度达工业级标准,为规?;疾都峁┚酶咝У慕饩龇桨浮?/span>
?
作为国内首套兆瓦级化学链燃烧装置,其项目实现了三大技术突破:一是首创双向返料阀技术,精准调控燃料反应器与空气反应器的物料循环;二是构建“零碳”水蒸气辅助发电系统,形成自维持式碳捕集闭环;三是建立污染控制-碳捕集-能源利用全链条技术体系,其运行数据将填补我国化学链燃烧技术数据库的空白。

该项目不仅提升了化石能源清洁利用水平,更通过生物质掺烧技术开辟负碳排放路径。建成后年碳捕集量可达万吨级,配套的碳生命周期评价体系将为碳交易市场提供基准数据,助力构建新型能源体系。未来,中机国际将持续深耕节能减排技术创新,为构建新型能源体系和打赢蓝天保卫战提供全方位的工程技术支持。
?
供稿:环境院综合经营部 陈忠
责编:综合管理部 何雨婷